50W LDMOSFET HF linear amplifier for the Red Pitaya


Almost four years ago, in early 2017, I decided to get into software-defined radio, and for that purpose I bought a Red Pitaya board. The main project is a transceiver that has a high efficiency, legal-limit output stage employing envelope elimination and restoration. I started doing the development work, but I found rather little interest in such a project among fellow hams. Some even ridiculed me for striving towards highest possible efficiency, arguing that energy is cheap enough that it's no problem to waste some. These reactions, along with the general state of ham radio, which I perceive as being in serious decadence, damped my motivation. I got lazy, and the project has been resting in a state of half development for years.

But I did a lot of listening with the Red Pitaya and PowerSDR software, which provides very much better performance and functionality than my old conventional Kenwood transceiver. Only for transmitting I went back to the Kenwood. Eventually the idea matured to build a little amplifier that would allow me to put the Red Pitaya on the air, in a basic way, with a usable power, although without the cost of a high power amplifier nor the complexity of EER.

I had purchased a small, inexpensive, 70W-rated gemini LDMOSFET, intending to use it as an expendable guinea pig in a scale model of the big project's legal-limit class D final amplifier. So I decided to use this device to build a provisional small amplifier for the Red Pitaya, laid out in such a way that it can still be used for experimentation towards the big project. Since the small, 13.8V-fed amplifier works with the same drain load impedance as a big 50V-fed one, such experimentation is quite realistic.

This little amplifier is an attempt at operation in totally, absolutely conventional class AB, unlike most HF broadband push-pull amplifiers, which are mixed-class designs, operating somewhere in the continuum between class AB and current-switching class D. The idea was to provide as much signal quality and efficiency as class AB can deliver. How much success I had in this attempt will be shown further down this page, in the section about test results.
 
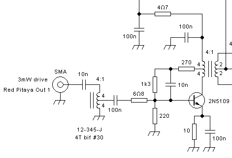
The Red Pitaya delivers a maximum output power of 10mW, and it's best to run it a few dB below its maximum output, so a 50W amplifier needs to have about 40 to 42dB gain. While LDMOSFETs are capable of very high gain at HF, 40dB is a little high. So I decided to build a two-stage amplifier, and divide the gain roughly equally between the two stages.

To keep the circuit simple, I wanted to use a single-ended class A driver stage. I experimented with various FETs, but found that these are simply too non-linear to use in single-ended circuits. It would be necessary to bias them to a comparatively very high standing current in order to get good linearity. BJTs are very much better in this regard, being far more linear than FETs over a wide range of collector current, thus allowing to bias them just high enough to avoid clipping on signal peaks. Unfortunately production of RF power BJTs has essentially been discontinued. But I have some in my junk box. I selected a very antique but excellent 2N5109, fully knowing that the use of a discontinued device won't be very popular with people who want to copy my design but don't have such an animal in their junk boxes. Sorry... I just used what I had!

The final stage is built around a modern LDMOSFET, an AFT05MP075N. This device is intended for VHF and UHF final stages in mobile radios, and is quite inexpensive. I ordered it from a Chinese provider, but it's also available at several of the well-known mainstream parts suppliers.
 
Without more ado, let's divide and conquer the schematic. You can get the undivided and unconquered version by clicking on any of the parts.

The driver stage uses strong collector-to-base feedback and no emitter degeneration, to achieve stability and good linearity along with high gain. The feedback pickup point is tapped down on the output transformer in order to improve the stage's efficiency by wasting less of its available RF output power in the feedback circuit.

Due to the lack of emitter degeneration, presence of negative feedback, and the high gain of this transistor, which has a transition frequency in excess of 1GHz, the base input impedance is very low, behaving quite a lot like a constant-voltage current node.  To get enough drive current the Red Pitaya's 50Ω output is transformed down in a 4:1 autotransformer, and a 6.8Ω resistor provides the missing resistance between the stage's low input impedance and the 12.5Ω expected by the transformer. This resistor also serves to isolate the transistor from the Red Pitaya's output lowpass filter, to prevent any instability. Actually the design value for this resistor was 8.2Ω. I used 6.8Ω because I had no 8.2Ω SMD resistor in my junk box... If you have one, use it, to get the stage's input impedance closer to 50Ω. But don't use a 10Ω resistor, as it would be too high.

As is traditional in this sort of amplifier stage, the standing current is controlled by the base voltage, defined mainly by the three resistors biasing it, the supply voltage, and the resistor placed at the emitter. It's approximately 77mA. The ease with which one can obtain a sufficiently stable bias current in a simple circuit, without a need for adjustment, is one of the advantages of BJTs over MOSFETs.

The input transformer is wound as four bifiliar turns of AWG #30 enameled wire twisted together using a drill, on a small Ferronics 12-345-J two-hole ferrite core. A suitable replacement for this core would be an Amidon BN-43-2402.

The interstage transformer is more complex: It's a trifiliar winding, with one of the windings being center-tapped. To make this, a piece of wire is bent into a T shape, the downgoing bar of the T consisting of a wire loop forming the tap. This loop is twisted together just to give mechanical support. Then two more wires are placed along the horizontal part of the T, and the wire bundle is twisted together using a drill.  The core is wound with 4 turns of this bundle, of course winding 2 turns in each direction from the center tap. Then the wire ends are properly sorted out. The center tap of the secondary, and also the tap for the feedback resistor between the two primary wires, are soldered together to as close as possible to the core, to minimize the inductance they put in the path of currents flowing in the transformer.

The core I used is a  Ferronics 12-360-J, which is a somewhat larger two-hole core. The Amidon equivalent is the BN-43-1502. Be careful about replacements for this core, because it's working relatively close to its saturation limit, courtesy of its high permeability and of the class A amplifier's standing current. If you use a higher permeability, the core will saturate, and with a much lower permeability it will give insufficient reactance on the lowest bands. So if you have to find a replacement of your own, make sure that not only the dimensions are close, but also the permeability.  The input transformer is far less critical in this regard, and a higher permeability will work fine as long as the material isn't too lossy.

The transistor works into a total load of roughly 200Ω. This is defined by the final stage's input resistance of around 60Ω, transformed to roughly 240Ω by the interstage transformer, and by the tapped-down 270Ω resistor, which acts like 1080Ω in parallel with those 240Ω.

No frequency compensation is used. Thanks to the transistor's high transition frequency, its current gain is still above 30 at the highest operating frequency. The peak base drive current should end up below 2mA. Compared to the 28mA available from the drive transformer this is small enough to cause only a very slight gain reduction at the high frequency end. The feedback resistor takes up the excess drive current, and also swamps the transistor's small input capacitance by providing a very low drive source impedance. All this is part of the beauty of using UHF transistors at HF!

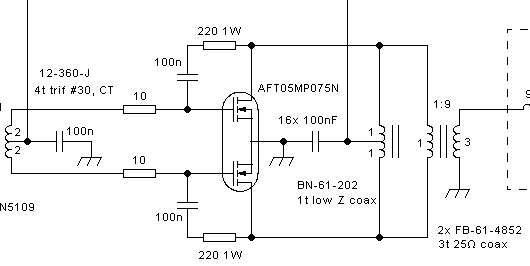
The final stage is an attempt at making a true, real, traditional, conventional class AB push-pull amplifier. The drive signal is applied symmetrically and ground-referenced, using a real, properly functioning center tap on the interstage transformer. The drains are tightly coupled together by means of a feed transformer designed for the lowest possible leakage inductance, and the physical assembly is also designed  to minimize stray inductance in the relevant circuit. All these points are often disregarded by amplifier builders, either intentionally or due to lack of understanding, resulting in sort-of class D amplifiers rather than true class AB. While class D amplifiers pressed into sort-of-linear service have some advantages of their own, they also suffer from considerable problems.

The output transformer is a conventional 1:9 design,  which results in utmost circuit simplicity and also a very short delay, when compared to transmission line transformers. The short delay is a huge advantage when it comes to controlling the drain voltage or current waveform by means of suitable lowpass filters.

I didn't use the very widespread construction technique consisting of a tube-and-sheet primary, with the secondary threaded through the tubes, because the performance of this arrangement is relatively poor, suffering from high leakage inductance, which has to be compensated for, and limits high frequency response. Instead I wound the transformer with homemade 25Ω coax cable, using the inner conductor as secondary and the shield as primary. This results in significantly lower leakage inductance.

The amplifier employs direct negative feedback, which is effective both in common mode and in differential mode. Given the value of the feedback resistors, the transconductance of this LDMOSFET, and the drain load resistance, the feedback circuit causes approximately a 20Ω load on each gate. This is low enough to reasonably swamp the 170pF total input capacitance of each gate. At 30MHz the gain is slightly lower than at low frequencies, but not excessively so. Swamping the gates through negative feedback is far better than doing so through resistors to ground, because the negative feedback improves linearity and stability.

10Ω resistors are used in series with each input side to provide some isolation to the driver and prevent oscillations involving resonances between the interstage transformer and the LDMOSFET's capacitances, by de-Q-ing those resonators and thus drastically reducing any phase rotations caused by them.
  
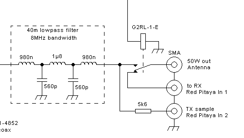
Broadband RF amplifiers inevitably require lowpass filters to meet spectral purity requirements. And particularly if they will be driven into some degree of saturation! I have been in contact with a few hams who are trying to build linear amplifiers that are naturally clean enough to meet regulations without such filters, but this is an elusive goal. At the end of the day, lowpass filters are still the simplest, cheapest and most efficient way to get the harmonics low enough.

I was too lazy to build a whole bank of lowpass filters, one per band or at least one per octave, with relay switching. Since almost all of my HF activity is on 40 and 80 meters, I just built a single 40m lowpass filter, mounted directly on the amplifier board, and I'm using the amplifier on the air on 40 and 80 meters. For testing on other bands I unsolder that filter (just the input and output wires) and either measure without a filter, or with another filter quickly built on the board. It's very important to note in this context that testing an amplifier with or without lowpass filter is very different, and the results of one kind of testing should never be mixed up with those of the other method. What counts is the tests done with the correct lowpass filter. Any tests done without a lowpass filter are just additions, useful to test for some specific problems.
 
I used an inductive-input (T-layout) filter with a low-ripple Chebyshev response. It has nice standard values for capacitance, by slightly tweaking the cutoff frequency, but I still didn't have suitable 560pF capacitors, so I had to use combinations in parallel. Murphy never sleeps. The inductors are air-wound, for simplicity, adjustability and cheapness.

Please note that it's definitely not a matter of personal preference whether to use a T filter or a π filter! The correct type of filter to use depends on the amplifier type. Transistors are controlled current sources, so a linear amplifier working without feedback forces the output current while being voltage-flexible. This is a good match to π filters, because they tend to force the voltage waveform but accept any strange current waveform. But when strong negative feedback is added to a linear amplifier, it behaves very close to an RF voltage source, forcing the voltage while being current-flexible. Such an amplifier requires T filters, which force the current waveform and accept the voltage waveform forced by the amplifier.

If an amplifier is used in hard saturation, it's important to understand whether it will clip the voltage or the current while staying in saturation, as this will determine the type of filter to use. That means, voltage-switching class D amplifiers need T filters, while current-switching class D amplifiers need π filters.

And when a linear amplifier is slightly driven into saturation, the type of filter required might change when it saturates! It's important to avoid this situation. Linear amplifiers that degrade into voltage-switching class-D when saturating should use strong negative feedback, to always be voltage sources, while linear amplifiers that degrade into current-switching class D when saturating shouldn't use direct negative feedback. Source degeneration would be OK, though.

Using an amplifier with the wrong type of lowpass filter results in much lower efficiency! This lurking dragon has bitten many circuit designers!

For a lowpass filter to have the desired effect on the amplifier, it's essential that the filter is close enough to the MOSFETs, in terms of electrical wavelength at the strongest harmonics. This is easy to achieve with a conventional transformer on the lower bands. It starts becoming a problem on the higher bands, and is a big problem when using transmission line transformers or outboard lowpass filters. In those situations many designers find that they need to use diplexer filters, adding complexity and loss.

In the configuration I use my 50W amplifier on the air, with the 40m lowpass filter directly on the board, behind a relatively small conventional transformer, I have an easy and almost ideal situation, which facilitates getting high performance.

The lowpass filter is followed by a simple relay for antenna switching. During RX the antenna is passed over to the Red Pitaya's input #1. There is also an ultra simple voltage divider, consisting just of a 5.6kΩ resistor and the 50Ω load that's connected to it, to provide a sample of a suitable level to the input #2 of the Red Pitaya, which can be used to provide RF feedback for adaptive predistortion of the drive signal. This results in an extremely clean transmitted signal, and allows some other tricks, as I will explain near the end of this page. For now, let's leave the predistortion turned off, and treat this amplifier as a standard linear one.
   
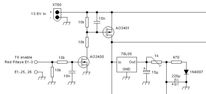
TX/RX switching is controlled by an auxiliary output of the Red Pitaya, that works at 3.3V CMOS levels. A very basic two-stage switching circuit, using tiny but very capable N-channel and P-channel MOSFETs, controls the power supply to the driver stage, the final stage's bias circuit, and the relay coil. RC lowpass filtering is included to keep the little FETs from embarking in any mischief if there is RF pickup. It also moderates the inrush current charging the bypass capacitors.

It seems that the day I designed this switching circuit I wasn't very creative regarding component values...

As long as the TX enable input is low the entire circuit consumes no power, doing away with the need for a power switch.

 The bias circuit consists of a small 5V regulator, followed by an adjustable voltage divider with a slight temperature compensation provided by a diode. The resistor values are low enough to provide a low bias source impedance, which is further lowered in the audio and LF ranges by an electrolytic capacitor, an in the HF and higher ranges by a ceramic bypass capacitor located at the center tap of the interstage transformer.
 
The temperature compensation provided by the single diode is insufficient to fully compensate drift when the LDMOSFET warms up, but is good enough for practical operation. When warm, the idling current might be 10% higher than when cool. It might be better to use two diodes in series, and reduce the value of the 470Ω resistor, to get more complete thermal compensation.

I used a very slow, old and common high voltage rectifier diode here, because it's placed right on top of the LDMOSFET, exposed to a significant RF field. This diode is simply too slow to rectify that RF, so there will be no problem.
 
I used an XT60 connector for the 13.8V input. I got to know these in the model aircraft world. They are inexpensive, compact, capable of carrying 60A, and very good. They are tremendous overkill in this amplifier, but I think that it's a good standard to use for low voltage, moderate to high current connections in the ham shack.


Construction

 This amplifier isn't build on a PCB. Instead I built it on a GCB: A gnawed circuit board! I commissioned a rat to gnaw it for me. That rat has "Dremel" printed on its back. The background of this decision is twofold: One is that I temporarily lost my capability for making PCBs, because - again! - my umpteenth inkjet printer failed and my laser printer absolutely refuses to make decent PCBs, and the other is that in my old age (55, but I feel like 85) I have increasing trouble concentrating for long enough to imagine a whole project in my head and design a board for it in one pass.
 
So I got my rat by the tail, grabbed a piece of double-sided PCB/GCB stock, and had the buzzing animal gnaw my board step by step, stage for stage, area by area, as construction progressed.

This photo shows  the driver stage, temporarily with a different, simpler output transformer, fully operational for testing and approving before continuing the construction.

I decided to use mostly SMD components because they are cheap, good for RF, and over the years I have collected enough of them to be able to largely build circuits using them. Some arrived as gifts, others were bought. I have standardized on the 1206 size as much as possible, because I can handle and solder them using just a strong magnifier. Smaller ones would require a  microscope...
  
It would have been nice to use an SMD transistor instead of the old leaded, metal-cased one,
but there are few, and not as good as the 2N5109. If you absolutely must use an SMD transistor, you could try the PZT2222A, but its dissipation rating is very tight for this application, and its transition frequency is much lower, so it will probably have a very noticeable gain fall-off on the higher bands. The old 2N5109 is certainly much better.

Please excuse my rat for the unclean gnawing. The rat driver is old and can't see very well, even when using a magnifier. For the same reason, please excuse my soldering iron for doing a sometimes messy job. The circuit works, and that's good enough at this stage of life.

Some details of the output transformer wiring can be seen here quite clearly. The shorter you get those wires, the better, although a few extra millimeters aren't a big problem, given the comfortable impedance this transformer works at.

Note that I kept the groundplane as continuous as possible, leaving copper ground bridges in place between parts and under some parts. This allows getting away without drilling holes to connect to the underside of the board. If you are less lazy than I am, then be so good and place a connection through the board at each of those places where something connects to ground.  Specially the bypass capacitors at the supply point and at the emitter. It might cause a tiny performance improvement at the high frequency end.

The transformers can be stuck to the board using hot glue, or double-sided foam tape.

My rat was very happy to get that much board to gnaw. It's the whole layout for the power stage and bias circuit.

The big cutout is for the LDMOSFET, of course, and the round holes are for screws that will mount the whole assembly to a heatsink. But pay special attention to the two slits, gnawed out with a Dremel cut-off wheel. I soldered strips of copper tape through these slits, to get a very low impedance connection between the top side and the bottom side ground foils there. The performance of a true class AB amplifier stands and falls with this. The drain bypass capacitors need to provide a low, very low, really truly low inductance connection to the LDMOSFETs source.

If you have a board made by a PCB company, place at least two tightly spaced rows of vias along these lines, instead of the slits.

After soldering the copper tapes into the slits, I soldered 8 bypass capacitors along each slit, to get a nice low impedance there, and to distribute the current so that the caps can handle it.

Many builders don't realize  how high the RF current in a class AB push-pull amplifier's bypass capacitor is! Until it's too late, that is, until the underrated caps they use blow up. More usually than not, the maximum current for a cheap SMD capacitor isn't specified. The options a ham has are to either pay premium prices for RF-rated capacitors, or do what I did: Use so many in parallel that trouble is unlikely. They are cheap enough!

This LDMOSFET is designed to be mounted through boards that are only 0.8mm thick, half of the normal thickness of traditional PCBs. Since I don't have any such board material, but I do have a large amount of high quality 1.6mm thick board stock that was given to me by a fellow ham from the USA, I used some of that, and had my rat gnaw  45-degree chamfers along the edges of the cutout where the transistor tabs end up.  After soldering the transistor to the heat spreader I bent and soldered down the tabs. It's definitely not the best way to solve this problem, so if you can get 0.8mm board for this project, get it.

The heat spreader is a 50mm long piece of 40×5mm silver-clad copper bus bar, which I also got for free from a friend. Bus bar is a great material for this purpose, because it's high purity copper and has nice flat surfaces. Silver plating is nice to have, as it eases the soldering job, but it's not required. I cut, deburred and drilled that piece, then drilled the holes in the GCB  by using the spreader as a template (lazy man's method to avoid measuring).

The spreader doesn't need to be this large and thick. 40×30×3mm would be plenty. I just used what I had.

To solder the transistor and the spreader to the board, I cleaned everything, applied solder paste to the whole spreader surface, then screwed the spreader to the board using long spring-loaded screws, then clamped the board in a horizontal position, placed the transistor in its hole (correctly oriented!), then heated up the spreader from below, using a small jeweler's blowtorch. It smoked like an old steam engine, then the solder melted, the spreader seated itself snugly against the board's underside, some solder squeezed out, and the transistor of course followed the laws of molecular attraction, and those of Murphy, and snugged up as much as it could to one corner. I had to use some tools to push it into a more suitable location and hold it down there while the solder solidified. I don't know whether there are solder voids, but I don't think so, because the flux seems to have almost fully evaporated, and it seemed to come out of the joint before the solder did. In any case this transistor has a very generous dissipation rating, the copper heat spreader I used is also very generously sized for this power level, so I have no worries about overheating the transistor in use.
 
This sort of fully soldered mounting achieves the best possible thermal and electrical conductivity. It's very much better than alternative methods in which the spreader isn't soldered to the board. Also this is a very solid, robust and simple assembly.
 
Should it ever become necessary to replace the transistor, this can be done by removing the board from the heatsink, cutting off the transistor tabs, heating the spreader, picking off the transistor corpse, sucking up old solder, then letting the thing cool. Then remove the tabs, clean everything, apply fresh solder paste to the transistor mounting area, put the new transistor in place, and reheat the spreader.

Note that I soldered wire jumpers from the gate areas to ground, to protect the LDMOSFET gates during all this work. Better safe than sorry.

The next step was building and installing the output transformer. It has 3 turns of 25Ω coax cable, starting and ending on the output side. On the input side the braids of all three turns are cut, and soldered to the LDMOSFET drains as shown here, to form a single-turn primary winding consisting of the three parallel-connected braids.

My intentions were nicer than the outcome. I intended to place the three turns nicely and orderly against the board, like three U shapes nestled into one another. But the rather stiff coax cable, my even stiffer arthritic fingers, and my old and presbioptic eyes decided otherwise. It looks messy, and it is, but it ended up correctly connected...

This method of connecting the primary side minimizes leakage inductance.

On the output side two of the turns simply loop, while the third one is the start and end of the secondary winding. The center conductor of the ends is connected to ground and the output point, while the two braid ends are soldered together.

The outer insulation of the coax cable isn't electrically required. The transformer would work the same if the three braids were in random contact along their whole length, or even soldered together. I used an outer layer only to hold the braid tightly to the dielectric, to keep the cable's impedance from rising.

25Ω coax cable can be bought ready-made, but only from specialist companies, and at prices that are much stiffer than the cable. For that reason I made my own. I used a piece of stranded, silver-plated, teflon-insulated wire, having an overall diameter of 1.3mm, and pulled the braid of some good quality RG-174 cable over it. Then I pulled a very tightly fitting heat shrink tube over that, and heated it. The result is a coax cable that should have roughly the correct impedance, thanks to the wire being much thicker than RG-174's center conductor, the other dimensions being about the same. I didn't measure the actual impedance of this cable, but anyway it's not terribly critical, given that the total length of the three turns is only about 28cm.
 
I used two Amidon FB-61-4852 ferrite sleeves, which give plenty enough inductance for 160m, more than enough voltage handling for 13.8V operation at low loss, and also can handle considerable DC without saturating. Given that no DC blocking capacitor is used, any small difference in the resistances of both sides of the feed transformer will result in a DC flowing in the output transformer's primary, so this point needs to be considered. Don't replace these cores by any having a higher permeability!

The three turns of coax cable fit tightly through the holes of these cores.

The feed transformer of a class AB push-pull amplifier has the duty to tightly couple the drains, and at the same time bring in the power supply in a way that allows the huge second harmonic supply current ripple to go through to the bypass capacitors. It needs to have extremely low leakage inductance, and the circuit it works in, which includes the transistors, the bypass caps, and all their interconnections, including the path through ground, must also have extremely low stray inductance. A class AB linear amplifier of this kind works well in the frequency range where these leakage and stray inductances are negligible. At higher frequencies these inductances cause trouble, making the amplifier's performance degrade.

Many people have used bifiliar chokes using several turns of two parallel wires wound on toroidal cores. Those do not work!!! Or rather, they do bring in the DC just fine, of course, and being bifiliarly wound they benefit from DC cancellation, which keeps them from saturating - but that's all. They don't couple the drains, because their leakage inductance is far too high. In that regard they work almost exactly like two separate feed chokes. My amplifier instead attempts to demonstrate the advantages of getting this point as correct as possible.

To this end I picked the smallest ferrite core that can just barely handle the voltage at low enough loss on the lowest band (160m), and that provides just barely enough inductance on that band. A good choice of core material, size and shape is required. Unfortunately the choice of ferrite materials a private experimenter can obtain is extremely limited. Among the cores I can get, the Amidon BN-61-202 was the most promising.

I wound this core with a single turn of homemade extra low impedance coax cable. The point here is getting the insulation so thin that the two conductors end up very close together, minimizing leakage inductance. I used braid from a good quality RG-58 cable, wrapped one piece of that braid in a spiral winding of kapton tape, wound with such an overlay as to get two layers of tape covering the conductor. Then I slipped another piece of identical braid over it, and wrapped it in kapton tape just to keep that braid in close contact with the insulation.

The outer braid ends were bent to the sides, and the inner ones were threaded through the holes drilled into a piece of copper-free PCB material, used as insulating separator. The kapton wrap goes along into the holes, to maintain integrity of insulation, and then was cut.

This is the somewhat uncombed feed transformer, ready for installation. My idea was that after soldering the three coax loops of the output transformer flat to the drain pad, I would solder the very short feed transformer terminals to the top side of those coax cables, and bend the feed transformer side terminals down to the bypass capacitors, fanning them out to minimize inductance, and solder them. The core would stand vertically over the drain pad area.

As happens so often, practice ended up differing somewhat from theory. My rat had left rather little space there, and my old eyes and hands had made a mess with the transformer connections, so that I had to change plans and install the feed transformer in the best way I found at that point. It ended up roughly horizontal over the LDMOSFET, with much longer supply terminals than I intended.  There are several nanohenries of stray inductance here, which weren't planned. Just the feed transformer's terminal inductance is surely much larger than its leakage inductance. Those two act in series and are equally undesirable.

Note that in this photo you can see the temperature sensing diode lying on the LDMOSFET, and the drive transformer is in place. The gate shorting jumpers have been removed.

The 3W feedback resistors are far larger than necessary. 1W would have been just big enough, but I had none. I found these big 220Ω resistors on old CRT TV boards. Two separate TVs, so the two resistors aren't identical, but they are of the same value, type and size!
 
After some more board gnawing, building the TX/RX switching circuit, the low pass filter, installing the relay and the output-side connectors, and bolting the whole thing to a heatsink, it looked like this. You can click this photo to get a larger version and see the amplifier in its full glory.

The relay I used is far larger than necessary for this low power. It comes from the parts I bought for the legal-limit power project.

Here is a view that shows the spreader between the heatsink and the board. The heatsink measures 120×75×30mm, and during ragchewing at full power it gets just lukewarm. Without needing a fan, of course. During long term key-down testing it gets somewhat warmer, but not a lot.

The copper foil connecting the bypass caps to the underside foil ends up sandwiched between the board and the heat spreader. For that reason the board doesn't sit exactly parallel to the heatsink. Its output side sits higher than the input side. The solder fills out the resulting space between the board and the spreader.
 
Given the stiffness of this board, no additional support was fond necessary. It's attached to the heatsink just by the two screws.

There are no connections on the underside of the board. It's just a continuous groundplane joined to the upper side groundplane only at the connectors and through the two copper tape straps. Some more interconnections might improve performance on the high bands.


Performance measurements

I used digital multimeters to measure the supply voltage and current. A Tektronix 485 oscilloscope with either direct 50Ω connection through attenuators, or using low impedance Z0 probes having over 500MHz bandwidth, to see the waveforms and to measure the output power. And the spectral display of PowerSDR, derived through receiver #2 from the feedback voltage divider, to assess linearity through IMD measurement. The software's adaptive predistortion amplifier analyzer was used to separately measure and graph amplitude and phase linearity. The 50Ω dummy load used is a Bird unit rated up to UHF.

All measurement results are for the complete amplifier, including the driver stage. The driver, relay, switching circuit and bias circuit draw a total of 120mA, so that the current in the final stage is always 0.12A lower than the total current.

On the 40m band, using the 40m lowpass filter, a 13.8V supply, and with the bias set for 1.12A total current at no drive (1A in the final stage), the amplifier just begins compressing the gain at 50W output. These curves show the amplifier's response under these conditions. The blue curve is the amplitude response, and the yellow curve shows the phase response. The other two curves are the compliments to them, and show the corrections that the adaptive predistortion system will apply if switched on.

As you can see, the gain curve is quite linear, but not perfectly so, showing lowest gain at about one third of the maximum amplitude, and highest gain at a little less than full power. This sort of distortion is inevitable, given that MOSFETs are square-law devices, rather than linear ones. We could eliminate the slight nonlinearity at the high end of the drive range, by limiting the amplifier to 45W, or by slightly increasing the supply voltage, but the distortion in the low power range is simply a fact of life. We can reduce it, by further increasing the bias and by using even stronger negative feedback, but never eliminate it.
       
The phase response shows roughly 6° phase shift between low power and maximum. This comes mostly from the voltage-variable capacitances all transistors have, and we cannot do much about it except choosing transistors that have low capacitances, which I did.

The two-tone signal looks pretty clean and nice on the scope screen. It would take a very well trained eye to detect the slight amplitude distortion of this amplifier on the scope!  And of course the scope can't show the phase distortion at all.

The spectrum analyzer is the best tool to assess linearity. You can see that the third order intermodulation products are roughly 34 or 35dB below the individual tones, which means that they are 40 to 41dB below the PEP output. This is much better than what many commercial transceivers achieve!

The 5th order IMD is only slightly lower, but the higher IMD products fall off in strength rather quickly.

Operating under these conditions, the complete amplifier draws 3.74A. At 50W single tone (carrier) output, it draws 5.57A. That's a single-tone efficiency of 65% for the entire amplifier, including the driver and switching, or 66.5% for the final stage alone.

The theoretical limit for pure class B amplifiers is 78.5%, but in real amplifiers it's always lower due to imperfect saturation of the transistors, and various other losses. Class AB further reduces the efficiency. So the efficiency this little amplifier is producing is probably as good as one could hope for!

Although this amplifier is plenty clean enough to put it on the air without any digital tricks, there is no reason why I shouldn't use some of the trickery offered by modern digital signal processing. Among these is adaptive predistortion. Switching it on makes the 3rd IMD plummet to 53dB below each tone, 59dB below PEP, and all other IMD products are at least a further 10dB down! The PEP output increases in a barely noticeable way, and the total supply current increases marginally to 3.79A.

Not all IMD products shrink, though. The more remote ones, starting at with the 11th, actually increase in strength, compared to the non-predistorted result. This is a typical side-effect of predistortion in digital processing, caused mainly by the limited bandwidth over which the predistortion system analyzes and corrects the amplifier's nonlinearities. But with all these rogue IMD products being much more than 60dB below PEP, it's a non-issue in most practical ham applications.
 
Having the adaptive predistortion system at my disposal, it's of course tempting to improve the amplifier's efficiency and output power, worsening its linearity in the process, and then fix up the linearity through that digital magic. To try this, I reduced the bias setting to get only 0.5A total current draw at no signal, meaning 380mA idling current in the final stage, and then driving it more strongly, all the way into pretty deep gain compression.

This being a clean class AB push-pull amplifier, which clips the output voltage when overdriven, the gain compression is rather hard and abrupt, so there is only a modest amount of power to be gained by operation in saturation. I got 61W output while operating the amplifier in this way.

The gain curve shows strong compression at high power, and rather severe crossover distortion caused by the low bias. The phase response curve instead doesn't change much, there is just a little more phase change in the saturation region, caused by the drains getting closer to ground potential for a larger portion of the RF cycle. At lowest drain voltage the capacitance modulation is greatest.

The waveform on the scope screen shows both the crossover distortion and the flat-topping in a very obvious way. It's easy to see the distorted amplitude response curve modulating the sine envelope!


How dirty is such a signal?

The spectrum analyzer provides the answer: Much more dirty! But plenty good enough for some people...

The 5th IMD ends up larger than the 3rd one, at about 28dB below each tone. Sneaky specmen wanting to sell an amplifer that normally works like this might proudly tell you that the 3rd IMD is 35dB down, without telling you that the 5th IMD is only 28dB down!
 
Most manufacturers are fully satisfied with such a result, and many commercially available transceivers cannot do better than this when driven to their full output! Specially at lower than normal supply voltage.

Using PowerSDR, I can. You can too, if you use it. Switching on the adaptive predistortion pushes the IMD products down where they belong! The 3rd IMD is down about 52dB below each tone, barely 1dB worse than at 50W with high bias!

Operating like this, with predistortion, the amplifier produces a very clean 61W signal, while consuming 4.03A during 2-tone transmission, and  5.97A when transmitting a single tone (carrier). And that, dear folks, is 74% overall efficiency, including the driver stage, relay and switching circuit! Or 75.6% if we only measure the final stage's current drain, but I won't put my hand on fire for the decimals, given that I'm measuring the power on a scope screen. Although my scope is of high quality, very well calibrated, and produces a nice sharp trace, analog measurement has its limits... 

Getting ~75% efficiency from a very simple class AB amplifier, along with a very clean signal, is strong advertising for adaptive predistortion and for clean amplifier design.

I tried to go further, by turning down the bias even lower, driving the amplifier even harder, and letting the adaptive predistortion clean up the resulting mess. But the results were not so nice, because the low bias made the far-out IMD products rise, and these are out of the control of the bandwidth-limited adaptive predistortion system. It can do magic only up to a point...   So I concluded that operating the amplifier like shown here, at slightly over 60W and with 0.5A total current at zero signal, and using adaptive predistortion, is about best. And for people who don't have a signal generating system that includes adaptive predistortion, I suggest to keep the bias setting at about 1.1 to 1.3A total current at no signal, and limit the output power to 50W.

Nothing had been said so far about harmonics, because thanks to the use of a decent lowpass filter they aren't an issue. But I quickly measured them. Running the amplifier at 61W output, the second harmonic is 54dB down from the fundamental, the third one is 63dB down, the fourth is 77dB down, and the fifth is 74dB down. Push-pull amplifiers suppress self-generated even harmonics, if they are well balanced, but of course they happily amplify any harmonic that might be present in the driving signal! And my driver stage is single-ended, so the second harmonic is its strongest. Also the Red Pitaya might have some significant harmonic contents in its output. These are the reasons why the second harmonic is the strongest by far. Combined with the fact, of course, that lowpass filters attenuate higher harmonics more strongly.
 
If some stringent application would require stronger suppression of the second harmonic, I would try a push-pull driver stage.

In broadband RF amplifiers the voltage waveform at the drain usually reveals such severe imperfections that many builders prefer not looking at it! Since I seem to have masochist inclinations, at least in the realm of electronics, I do.

At roughly 20W output power, it looks as shown here. The vertical scale is 5V/div, and the screen center is at the 13.8V supply voltage. As you can see, the waveform closely resembles a sine wave, except for a wiggle at zero-crossing time, when the transistor is ceasing conduction.  This is caused by the non-zero leakage and stray inductance in the feed transformer and associated circuit. As much as I tried to reduce these unwanted inductances, a few tens of nanohenry remain, and at the low drain load of just around 1.4Ω on the active side, that's bad enough.

Even with this wiggle, this waveform is much better than what you will see in many other push-pull amplifiers.

At 61W output the amplifier is strongly saturated. You can see the LDMOSFET pulling its drain very close to ground, roughly 0.5V (remember that the center line is 13.8V and scale is 5V/div).

The wiggle is still present and larger, due to the higher drain current.

It can also be seen that coupling between the drains is present but far from perfect. If it was perfect, the waveform would be symmetrical. But the top of the waveform shows a ramp instead of a horizontal line while the opposite transistor holds its drain to ground, which again is caused by the stray and leakage inductances. At least the coupling is good enough to totally avoid voltage overshoot. The peak drain voltage is a little less than twice the supply voltage, exactly like it should be in a class AB amplifier.

And since leakage inductance is uncoupled between the sides, the wiggle of one side doesn't transfer to the other. Instead there is a separate, smaller wiggle on the downgoing slope, caused by the rising drain current and the leakage inductance.

In the spectral domain these wiggles appear as harmonics, and are rejected pretty well by the lowpass filter. 

So my lovingly crafted feed transformer and my carefully designed very low inductance ground return are still bad enough to cause obviously imperfect drain-to-drain coupling even on 40 meters! While the 7MHz fundamental is well coupled, the harmonics aren't. On higher bands this can only get worse.



I did much testing on 40m for three reasons: Because the 40m band is the geometric center of this amplifier's intended bandwidth, being a factor 4 above the 160m band and the same factor 4 below the 10m band; Also because it's the band I use most;  But mainly because I had the 40m lowpass filter installed on the board when I started doing systematic tests!

Of course it's essential to see how the amplifier behaves on the other bands. To avoid having to build a lot of lowpass filters, and to abstain from doing measurements without a lowpass filter in place, which are essentially meaningless because harmonic power masquerades as useful power and the amplifier operates under totally abnormal conditions, I built a lowpass filter for 10m, just for testing.

The leakage inductance of the output transformer, plus the stray inductance of the connections between the transformer and the LDMOSFET, are low enough to be negligible on the 40m band. But not so on 10m! I measured the leakage+stray inductance by connecting my NanoVNA to the secondary side of the transformer, while placing a short between the drains, directly at the FET's body. It came out as 68nH. That's pretty good, and with proper compensation would allow using this transformer up to about 100MHz. Compensation is really easy when using a T-configured lowpass filter, because all that has to be done is subtracting the leakage+stray inductance from the exact inductance calculated for the input coil of the filter! With my choices of cutoff frequency and bandpass ripple I ended up needing 236nH for the filter's input inductor without compensation, so I made that inductor to have 168nH, to compensate for the leakage+stray of the amplifier's output section.

I wound the coils to give a little more than the exact needed inductance when close-wound, and then stretched them out a little while measuring their inductances, to get the exact values.

I left the capacitor groups of the 40m filter in place, just removing its coils, and built the 10m filter around them. Laziness rules.

These are the amplifier's gain and phase curves on 10m, operating in linear mode, with 1A idling current in the final stage, and driven to the point where gain compression starts. At this point it delivers 40W output.

The amplitude linearity curve is different but not much worse than on 40m. The phase response instead is significantly worse than on 40m. This is an inevitable result of the voltage-variable capacitances in semiconductors having more effect at higher frequencies.

The two-tone waveform looks pretty good, since it cannot show phase distortion. Judging SSB signal quality purely from such a scope display is misleading, for this reason.

Vertical scale is the same as in the 40m tests. The power difference between the bands is clearly visible. Slightly lower voltage, meaning significantly lower power.

Without using any sort of correction, the 3rd IMD products are 30dB down from the individual tones, 36dB down from PEP. That's about 4 to 5dB worse than on 40m, but still pretty good. The higher order IMD products fall off at a slower rate than on 40m, probably mostly an effect of the phase distortion.

Under these conditions the amplifier consumes 4.38A with a two-signal, and 6.65A with a single tone. That equates to 43.6% efficiency including the driver stage, a much worse result than the 65% achieved on 40m in linear operation.

Enabling the adaptive predistorstion system cleans up the amplifier to a high quality, pushing the 3rd IMD down about 46dB below each tone. Again, not as good as the 53dB obtained on 40m.

Reducing the bias to obtain 0.5A total current drain at zero signal, 380mA in the final stage, and increasing the drive into stronger saturation, these are the response curves obtained. The amplitude distortion is quite similar to the 40m case, only the curve is noticeably noisier. I don't know how much of this comes from memory effects in the amplifier, and how much is actual noise, derived from the fewer samples per RF cycle that the Red Pitaya has to work with, on the higher frequency.

The phase distortion also increases, and its trace also looks noisier.

No news here, the scope pattern shows the deformation that are caused by the amplitude nonlinearity reported in the blue curve above.

The uncorrected signal produced in this way is of course quite dirty: The 3rd IMD is only 23 or 24dB below each tone! This is too dirty to put on the air without being ashamed.

Digital magic to the rescue! With predistortion enabled, the 3rd IMD is again 46dB or so below each tone, an excellent signal quality.

Under these conditions the amplifier delivers 44W PEP, consuming 4.26A. Transmitting a single tone it consumes 6.69A,  giving 47.7% efficiency including the driver stage. Poor, but usual for solid state amplifiers operating at the high end of their frequency range.

The RF voltage waveform at one drain shows why we are getting less power, more amplitude distortion and much lower efficiency on 10m.

This trace was shot with the low bias setting and at a drive level where the FETs don't saturate. The center line is at the 13.8V supply voltage, scale is 5V/div. The zero-crossing wiggle caused by leakage inductance in the feed transformer and connections has grown to an enormous size, due to the much faster current slew rate at the higher frequency.

Also an inversion of the positive peak appears, which is another telltale sign of leakage inductance in the feed transformer. The amplifier is being current-starved at the signal peaks, due to leakage inductance acting as a choke in series with the supply, after the bypass caps. 

In saturated operation we can see that the drain voltage gets pulled down to about -12V from the supply, meaning about 1.8V drain saturation voltage. The drain-source capacitance, which gets large at low drain voltage, has a stronger limiting effect than on 40m. So does the reverse transfer capacitance of the FETs. This reduced amplitude, combined with the very distorted waveform, which contains less fundamental energy, is the cause why the amplifier delivers so much less power on 10m than on 40m, even in saturation.
 
How could this be improved?

If we could buy better magnetic cores, that have higher permeability along with low loss at high flux density, we could use them to make an almost microscopically small feed transformer, that has very low leakage inductance. This could be embedded right over or under the LDMOSFET drain tabs, with minimal-length and maximal-width bypass capacitors and connections to the MOSFET source. But since such a good magnetic material doesn't exist yet, as far as I know, this remains a purely theoretical solution.

Many manufacturers and experimenters have done away completely with the feed transformer, living with totally uncoupled drains, thus running their amplifiers in a class AB-D hybrid mode. This can work well if square wave drive is used, but that requires additional care in the driver stage. All practical implementations of this sort that I have tested, have ended up showing equal or worse performance than my little amplifier - and on all bands, not just at the high end of their frequency ranges! My amplifier at least is good on the lower bands...

Using a higher supply voltage improves the situation. For example at 4 times higher voltage, and the same power, 4 times as much ferrite cross-section is needed, thus the feed transformer will have twice the wire length and twice the leakage inductance, if built in the same style. But the drain load resistance will be 16 times as high, making us end up with a situation that is 8 times better! In addition the stray inductance in the connections will probably remain the same, and so the final result will be more than 8 times better. It smells like a good solution. The problem is that RF power transistors for higher voltages suffer much more from internal capacitances. Phase distortion can be really bad with them, and the very existence of those high capacitances, relative to load impedance, also causes some trouble in getting good efficiency.

Other bands:

I was too lazy to build more lowpass filters, so I tested 20 to 12 meters using the 10m filter, and 160 and 80 using the 40m filter. For that reason I prefer not publishing detailed per-band test results, as they would be slightly differenet from what would be obtained with the correct filters for each band. But there were no surprises during this testing. The efficiency is a tad better on 80m than on 40m, while on 160m it gets down again to the 40m value, as the feed transformer starts showing that its inductance isn't sky-high. Linearity also shows a general trend to be best on the lowest bands, caused by the phase distortion being larger at higher frequencies. Using adaptive predistortion, the signal quality is excellent on all bands. The bands between 40 and 10m show the intermediate results that are to be expected, without any odd behavior on any band. The drain voltage waveform deformations get larger as the frequency rises. Instead it looks very clean on 160m, where the leakage and stray inductances in the feed circuit are small enough to cause almost no effect.
 
Harmonic suppression is good enough to meet legal requirements only when using a suitable lowpass filter. That's true even on 160m. It's fine to operate on 12m using the 10m filter, even operating on 15m with the 10m filter still meets requirements, barely, while operating on 17m with the 10m filter doesn't meet them, with the second harmonic being suppressed less than 40dB. So an all-band setup using this amplifier would require switchable filters for 160, 80, 40, 20, 15 and 10m. If a push-pull driver would be used, probably the even-order harmonics would be low enough to allow eliminating the 15m filter and meet legal requirements on 17m using the 10m filter.

Reality check: The TS-450S

When testing RF power amplifiers one can easily get depressed. In such cases it's good to compare to what the competition achieves. Here is a spectrogram of my Kenwood TS-450SAT's output on 10m. The 3rd IMD is down 29 to 30dB from each tone, which is almost as good as the Red Pitaya with my homebrew amplifier when not using predistortion. But the Kenwood is worse then my setup regarding the higher IMD products, and is very much worse in phase noise! Of course, we are comparing different technological generations here. The TS-450 only has linear signal processing, with a balanced modulator, an SSB filter, several further stages of mixing, and a complex frequency synthesizer that includes two DDS blocks and several PLLs. The Red Pitaya setup instead does almost everything digitally, even the generation of the dual-tone test signal. That does allow better signal quality.
 
It would be interesting to compare the performance of my amplifier with the Red Pitaya to that of a commercial radio of comparable technology, such as the Icom IC-7300. But I don't have one...

The Kenwood consumes 1.4A in RX. Transmitting the dual tone signal it consumes 10.3A, producing 90W PEP output. With a single tone at the same power it consumes 15.67A. That's 41.6% overall efficiency, including all low-level processing. I don't know how much the low-level processing really takes, but assuming it's the same as in RX, that would leave 14.27A for its TX amplifier chain, allowing honest comparison to my amplifier. It would put its amplifier's overall efficiency at 45.7% on 10m, quite similar to what mine achieves.

The difference in efficiency is on the lower bands, where the Kenwood has essentially the same efficiency as on 10m, while my amplifier gets much better. That's due to my feed transformer that works reasonably well on low bands but not on 10m. The Kenwood doesn't have a feed transformer, so it works equally poorly on all bands.

In any case my little amplifier is good enough to use on all bands, and excellent on the lower bands, which is where I actually use it. With the Red Pitaya and PowerSDR's adaptive predistortion, it generates an exceptionally clean signal. Considering that it uses a simple circuit and an inexpensive output transistor, I think it's a good result.

If an amplifier like this is scaled to higher power, such as using a BLF188XR to get 700-800W at a 50V supply, the larger feed transformer required to handle the higher voltage will make the amplifier cross over from clean low-frequency behavior to dirty high-frequency operation at a lower frequency than my small amplifier does. With a well optimized feed transformer, such a big 50V stage would probably deliver best efficiency on 160 and 80m only, dropping slightly on 40m, strongly on 20m, and working as badly on 10m as an amplifier that doesn't have a feed transformer.

I will use this small amplifier not only on the air, but also to test various ideas about achieving cleaner and more efficient operation on the high bands.


Back to homo ludens electronicus.