KISSCAD      

Free Schematic Diagram Drawing Software    

   

Most electronic hobbyists, and probably all professionals, like to use a computer to draw their schematic diagrams. Consequently a fair number of programs exist that allow doing this, with widely varying levels of complexity, capability, user friendliness, and quality of results. Many of these programs are commercial, and often quite expensive, while others are free.

I had been using a very old DOS-based program for many years. That software was good and powerful, at the same time easy and fast to use, once its operation had been learned. But in more recent times it became ever harder to keep it running on current Windows-based PCs. So I finally needed something newer, and so I started a long search.

Unfortunately I didn't find any software that filled all of my requirements: Being free, allowing fast work, and producing good quality drawings. So I had to write my own! I spent about six weeks devoting my free time to this project, and here it is: KISSCAD.

First some highlights:

- 100% free to use. No strings attached.
- It's portable software. No installation is needed.
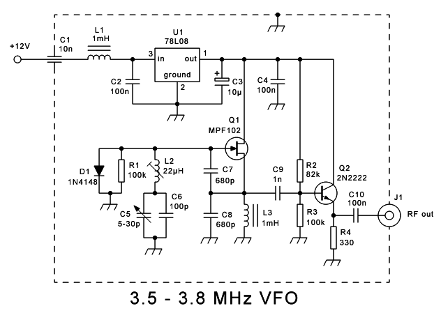
- Produces quite good quality output, as you can see in this image. This sample is downsized. Click on it to get a complete, full resolution demo drawing. Try printing it, and see if you like it.
- It's fast to use, because all commands are entered from the keyboard, as single letters. No pull-down menues are needed.
- Uncluttered workspace.
- Instant switching between editing the schematic, and editing the component library.
- Simple text-based formats for the library and schematic files.
- High resolution PNG output images, which can be printed, converted, or further processed in external software .

Now the downsides of KISSCAD:

- Will ONLY produce schematic diagrams. It does not generate netlists, parts lists, PCB layouts, etc.
- It's just a specialized drawing program. It will not check design rules, nor will it design a circuit for you.
- No point-and-click interface. The mouse is only used to grab and position things. Even the window resize and close functions don't work with the mouse. The program requires the use of the keyboard for all commands. This takes longer to learn, but then is much faster to use.
- Requires reading its user manual, to make the most of it.
- Comes with  just a basic library of parts. You will probably have to add parts to it. But that's easy to do.
 
KISS stands for "Keep It Simple and Stupid" , and that's the fundamental design philosophy of this software. It's the opposite pole to all those hugely complicated software packages that will do everything imaginable and with five thousand options, but take a year to learn, and daily practice to not forget! KISSCAD instead does only one thing, tries to do it well, and instead of letting each user configure every detail of its operation, it works in a fixed configuration: The one that I find most practical, based on 38 years working in electronics.

The first release of KISSCAD is from March 2016. Since then I have fixed a few bugs and added one feature. The second release was published in December 2017, and the third (current) one in November 2018.  

I intend to continue developing KISSCAD, in the sense of fixing bugs and probably also adding a few really useful and simple features. But I promise that KISSCAD  will never turn its back to the KISS principle, and that it will remain free to use.

Download KISSCAD   





Back to homo ludens electronicus.