Diode Reverse Recovery Testing       

Recently I purchased some UF4007 diodes from one of those obscure sellers on the most common of those websites on which one shouldn't buy parts (you probably know which ones I mean!), and what I got looked suspicious. Those diodes were much smaller, and had much thinner wires, than the original ones. The question that arises in such a situation is: Can they be used, or should I better throw them in the trash can, and buy real diodes from a trustworthy distributor, at 20 times the cost?

It's easy enough to measure the forward voltage drop, and the leakage current at the rated maximum reverse voltage. I did so, and while the diodes met specs for leakage current at 1kV, they got extremely hot at 1A of forward current, due to the very poor thermal conductivity of their flimsy thin wires, which are not even made from copper! Clearly these diodes could not be used at their full rated current, if I wanted an acceptable reliability. But are they really a case for the trash can, or can they be used at least in low-current applications?

To learn that, it was essential to find out whether or not they meet their specs on switching performance. That means measuring their reverse recovery characteristics. I checked the datasheets of several diodes, and found that the manufacturers typically measure such small diodes at 0.5A forward current, and externally limited -1A reverse current, taking the recovery time as the time taken by the diode to recover to -0.25A. But the circuit suggested in most datasheets is not very practical for hobbyists: It calls for a relatively high-voltage, high-current pulse generator, which I don't have, and for several high-power non-inductive resistors, which I don't have either.

So I hacked together a little circuit from parts that I did have on hand, and used it to measure my diodes' reverse recovery. Spoiler: They do meet specs about recovery - but only when cold! After a few seconds they get hot, and the recovery time goes out of spec, even if not by much. So the answer was in: I can indeed use these diodes in low-current applications. Just not at anything close to their rated maximum current.

At this point I could have called it a day, but a friend thought that I should publish even this little simple circuit on my website. Somebody out in this wide world might find it useful. Well, I don't know! But I decided to do it, just in case. After all, there isn't much published about diode reverse recovery testing in a hobby lab.

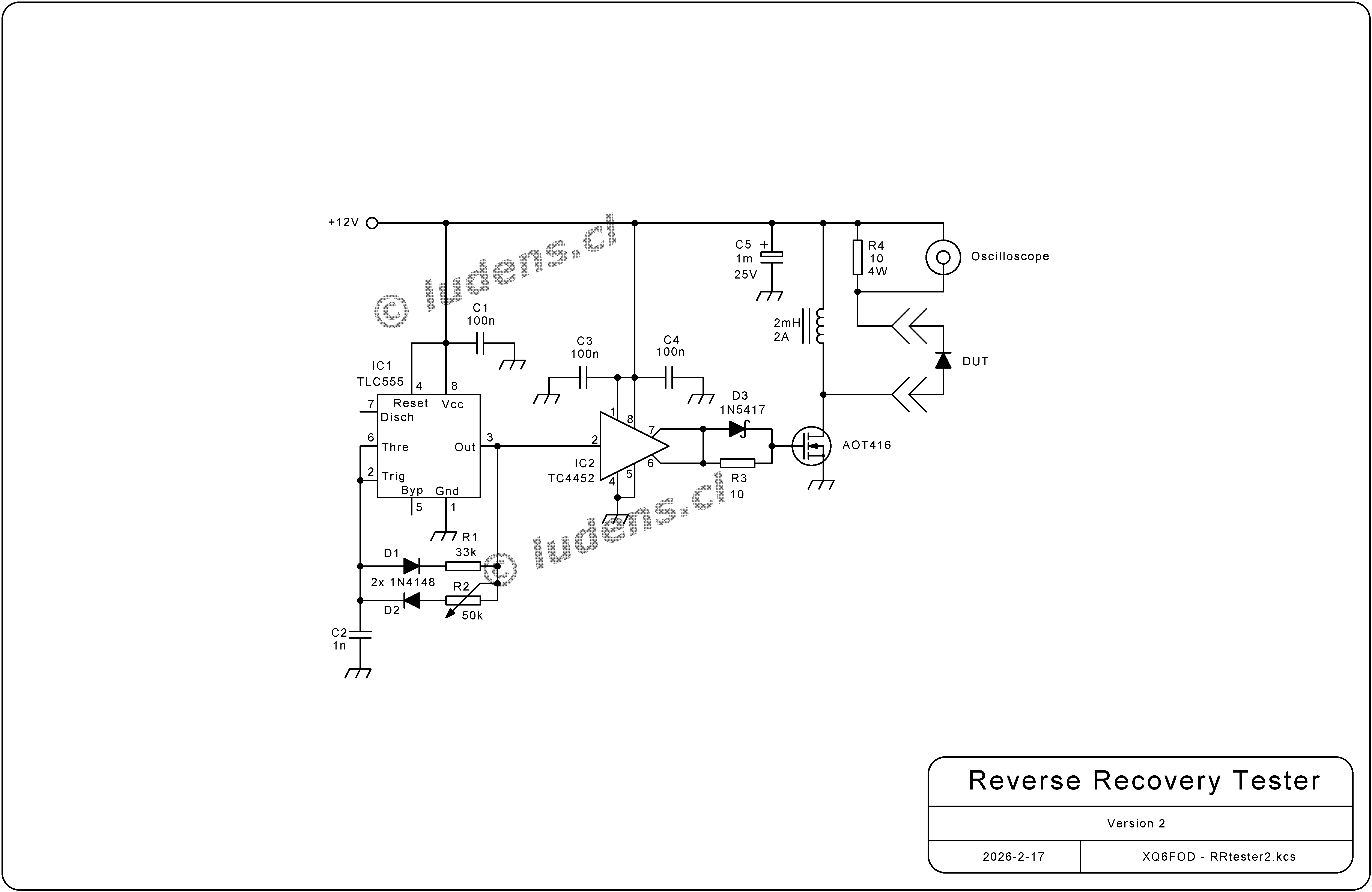
As usual on my site, you can click this schematic to get a high-resolution version for printing.

A CMOS 555 timer IC is used to generate a pulse signal having an ON time adjustable by R2 from roughly 1.5 to 35µs, while the OFF time is fixed at about 25µs. This pulse goes through a relatively fast and powerful gate driver IC, which drives a MOSFET with the fastest possible turn-on time, while the turn-off time is allowed to be a little slower, mainly to get some resistive damping into the gate circuit.

The MOSFET drives an inductive/resistive circuit around the diode to be tested. The use of an inductor allows running the circuit from a single supply, that doesn't need to deliver as much current as used to forward-bias the diode. An oscilloscope is used to measure the voltage drop on the resistor in series with the diode, to get a display of the diode current. Note that the positive side of the power supply connects to the "ground" of the scope probe. So, if the scope and its probe are actually grounded, a floating power supply is needed. Most lab power supplies deliver floating output, so that's no problem. A grounded +/- supply can also be used, by using its negative side.

While the MOSFET is on, the inductor current slowly increases, storing energy in the magnetic field. When the MOSFET is off, the inductor current flows through the diode under test and R4. The inductor's value is large enough to keep the current reasonably constant over the whole period. By adjusting R2 to the proper pulse width, one can precisely set the forward current in the diode just before the MOSFET turns on. At the moment the MOSFET does turns on, it not only begins to conduct the inductor's current, but also reverse-biases the diode, and conducts its reverse recovery current. This current is limited mainly by the supply voltage and the value of R4, so that by choosing the value of R4 it is possible to set the desired reverse current limit, and the value can be fine-tuned by varying the supply voltage. The circuit will work correctly with supply voltages from 10 to 15V, giving enough range for this fine setting of the reverse current.

When building the circuit, there are two circuit loops with should be kept as short and direct as possible. One is the loop formed IC2, D3, the MOSFET, ground return to IC2, and C3 and C4. This must be short in order to assure the fastest possible turn-on of the MOSFET. The other circuit that needs low stray inductance (thus short connections) is the one formed by the diode under test with R4, C5 and the MOSFET. Instead the inductor doesn't need short terminals. Any stray inductance in its connections simply ads to its main inductance.

The 555 timer should be the CMOS version (TLC555), because the standard version is too slow, and can't create short enough pulses. The TC4452 driver can be replaced by weaker or slower drivers, such as the TC4420 or TC4422, at a slight loss of MOSFET turn-on speed. Since manufacturers use pretty fast pulse generators to test their diodes for reverse recovery, it's good to have fast turn-on here, to get a reasonable match of measured values with datasheet numbers. So, if you can, use a fast and powerful driver IC.

The MOSFET I chose is the best suited one from among the ones I had within easy reach in my lab when assembling this circuit. It can be replaced by many different MOSFETs. If you do so, try to find a MOSFET that has a low gate charge and low capacitances. That's more important than a super low RDSon, in this application. When measuring with a 10Ω sensing resistor, an RDSon as high as a few hundred milliohm is acceptable.

As happens so often nowadays, I was too lazy to build the circuit in a decent way, and instead assembled the small-signal part on a small protoboard, with 3D-construction of the power circuit. My MOSFET drive and ground return connections are longer than optimal, but it works well enough for these tests, even if it causes some ringing.

Since this is just a quick-and-dirty circuit, I used four 470µH inductors in series, instead of a nice single 2mH one. I had them lying around on my workbench, from playing with speaker crossovers. These are inductors wound with wire about 1mm thick, on chunky ferrite solenoids.

The green ballpen is my homemade Z0 scope probe. Of course the ballpen had its guts replaced. Ink tube and ball point went out, voltage divider resistor went in. Z0 probes work better than any affordable high impedance probes, when fast response is needed.
 
For quick-and-dirty measurement, I clamped the diode under test in the alligator clips. The alligators provide electrical connection and some heat dissipation.

The circuit has two resistors for R4. I can quickly connect one, the other, or both in parallel.

It would be easy to build this circuit in a permanent way, with a selection of different resistor values for R4, but the question is whether it will be really useful! I have been doing electronics for 45 years now, and this is the first time I actually needed to measure the reverse recovery of a diode, instead of just trusting the datasheets. How often will I do it in the future? Maybe never.

So, let's go to what I measured with this contraption.


Here is an oscillogram showing the complete waveform on R4. Scale is 0.5A per division vertically with zero at the center line, and 5µs per division horizontally. 

The trigger is set to the falling edge at the moment the MOSFET turns on. The current goes very quickly to -1A, and stays there for roughly 2µs. Then the diode can no longer conduct all that reverse current, and the trace shows a very soft diode recovery. It crosses the level of -0.25A roughly at 4µs, so this would be the reverse recovery time rating of this diode, a 1N5406.

Then the reverse current decays to zero, while the inductor is charging its field. At 18µs the MOSFET stops conducting, so that the inductor begins dumping its current into the diode. At first we have about 0.6A of forward current, which slowly decays to 0.5A at about 44µs, when the MOSFET turns on again, and the cycle begins to repeat.


For a practical measurement, of course we should zoom in on the interesting part of the curve, to get better resolution. So here we have the reverse recovery area of the same measurement, but at a scale of 0.25A and 0.5µs per division.

There is just a little dot of the 0.5A forward current visible, inside the zero of the 90% marking on the screen. It is now possible to determine the -0.25A point much more precisely: It happens at 3.7µs. So that's the precisely measured reverse recovery time of this diode. It's a standard rectifier, optimized for low voltage drop, not for high recovery speed. The two parameters are tied: When the manufacturer speeds up a diode, by shortening the carrier lifetime, the forward voltage drop gets larger.


Now let's compare several diodes rated at 1A. I will keep the vertical scale fixed at 0.25A per division, but set the time scale so that each diode can be measured with good accuracy. I also now set the horizontal shift control so that the current zero crossing happens one division in from the left, for more accurate measurement of the timing.

This is a 1N4007, very well known to any electronician. The time scale is 200ns/div. As you can see, after having been conducting 0.5A forward current, it will conduct my circuit-limited -1A of reverse current for about 300ns, then the current will decrease, and cross -0.25A at a tiny little bit more than 1µs. So it's fair to say that this particular diode has a reverse recovery time of 1µs, which is on the fast side for a high-voltage standard rectifier.

The datasheets of standard recovery diodes usually don't mention the reverse recovery time, because it's irrelevant for line-frequency operation, and that's what these diodes are made for. It can vary quite a lot for identically marked diodes made by different companies, or even per batch.


This is a vintage, pancake-shape SD-1 diode, dating from the early 1960s, rated at 1A and 600V. The time scale is 50ns/div. The reverse recovery time is 350ns, making this a "fast" rectifier. Not bad, for that time!


This is a true UF4007, an ultrafast 1A, 1000V diode. I had to change the time scale to 20ns/div. The limited slew rate of my MOSFET and driver are now easily visible.

The diode barely even reaches -1A of reverse current. It's so fast that by the time my MOSFET is fully on, the diode is already so far recovered that it begins to limit the current.

The -0.25A crossing happens roughly 85ns after the downgoing zero crossing. So that's the measured recovery time. The datasheet for this diode claims 75ns, but that's valid at 25°C! The manufacturers measure this by subjecting a cold diode to a single pulse. It's one of many tricks they use to make products appear better than they are! Because in practical use, rectifying 0.5A, obviously a diode will be quite warm, and the reverse recovery time gets worse at higher temperature.

My test circuit subjects the diodes to an average current that is comparable to what it would see in a typical real switching power supply, so my test result is more realistic than what the datasheet promises.


This is the Chinese UF4007. The scaling is the same as above. The reverse recovery time is roughly 110ns, because the diode runs extremely hot, due to the inadequate thermal conductivity of its very thin pins.

It's so much fun to watch the reverse recovery time of this diode degrade as it warms up, that I made a short video of it! There you can see the reverse recovery time of this diode starting at 60ns when cold, and degrading to more than 100ns in a matter of 20 seconds of warming up. Never mind the autoexposure of my webcam playing crazy at the beginning...


Schottky diodes are the fastest kids on the block, way faster than "ultrafast" ones! Being majority-carrier devices, their recovery time is so fast that it tends to get masked by the ringing, and for this reason manufacturers often say that these diodes don't have a reverse recovery at all.

This image shows the behavior of an MBR160 Schottky diode. The time scale is 10ns/div. Indeed no reverse conduction can be seen, instead there is strong ringing at a frequency of roughly 100MHz. The resonant frequency is given mainly by the junction capacitance of the diode and the stray inductance of the loop formed by the diode, MOSFET, C5 and R4. This inductance is roughly 70nH in my 3D-built circuit, while the junction capacitance of this diode is roughly 40pF at the reverse voltage of about 10V that my circuit applies. 

Schottky diodes have much larger capacitances than PN diodes of the same size. For example, the UF4001, which is comparable to the MBR160 in current and voltage rating, only has about 15pF at 10V.


This is another, very similar Schottky diode, a 1N5817.  The ringing is a little stronger, and its frequency is a little lower, indicating even higher junction capacitance. According to the datasheet, it's 55pF at 10V.  No surprise there.


Let's look at diodes of other sizes. This is an MR821, a pretty old, fast rectifier rated at 5A and 100V. The time scale is 20ns/div. The measured recovery time is a very respectable 60ns.


Now it gets interesting! This is an RF diode, the well-known 1N4148, rated at 100mA and 100V. The time scale is 10ns/div, and I also changed the vertical scale to 100mA/div. I set a forward current of 100mA, even if the datasheet gives a reverse recovery time measurement done at only 10mA forward current, and just 1mA reverse current! That might actually be a typo.  In any case, my MOSFET and driver are too slow to reach a high reverse current peak before the diode recovers, but the reverse current peaks at -300mA, and the recovery time measures 4ns, which happens to match perfectly with the value given in the datasheet for different conditions! That coincidence was sheer luck.

After the diode recovers, there is a lot of ringing, looking rather adventurous. This is triggered by the very hard recovery characteristic of this diode.Since this diode has a much lower capacitance, the main ringing frequency is roughly 400MHz.

The oscilloscope and test probe must be fast ones, to measure such diodes. Mine is a Tektronix 485, with a homemade Z0 probe. The combination delivers a risetime barely over 1ns.

The next step would be measuring a small-signal Schottky diode, like the 1N5711, which has a rated reverse recovery time of 100 picoseconds. But that would not only require a much faster pulse generator, but also a $100,000 oscilloscope! I prefer to test the speed of such diodes with an RF signal generator, testing at what frequency their rectification efficiency falls off.

Let's go to very big and very slow diodes instead: The body diodes of MOSFETs. It's easy to disable a MOSFET by shorting its gate to its source, and then one can measure the body diode just like any stand-alone diode.

This image shows the result obtained from a rather old 2SK1120 MOSFET, rated at 1000V, 8A, with an RDSon of 1.5Ω. The time scale is 1µs/div, and the vertical scale has been returned to 0.25A/div. The forward current used is again 0.5A, barely visible as a tiny spot. The reverse recovery time of this MOSFET's body diode is a horrible 5µs!

It goes without saying that a MOSFET with such a slow diode recovery cannot be used in switching power supplies where the body diodes are part of the game, such as in bridge circuits. But it's fine to use in circuits that don't turn the body diode on, such as boost converters, fly-back converters, or in very -slow-switching circuits.


Low-voltage MOSFETs generally have very much faster body diodes than high-voltage ones. Modern MOSFETs are usually much better than old ones, and on top of that a manufacturer can put more or less emphasis on speeding up the body diode, depending on the intended application range of a specific MOSFET. Improving the diode recovery speed will always worsen some other parameters.

This image shows the recovery of the body diode of an IRF3205, a 55V, 110A, 8mΩ MOSFET very often used in inverters for 12V battery systems. The time scale is 10ns/div, and the measured reverse recovery time is barely 60ns! So the body diode of this MOSFET has a recovery time like an ultrafast rectifier! It can be used as a circuit element, if needed, but still Schottky diodes are better.
 
The datasheet states a reverse recovery time of 69ns, even if under totally different conditions than my circuit sets: 62A forward current, no fixed reverse current limit, but a 100A/µs slew rate limit on the current. My circuit was set to apply just 0.5A of forward current, but the current slew rate is also 100A/µs, which can be seen by the rate of rise of reverse current just after the current zero crossing: 0.5A in 5ns, which equals 100A/µs. The recovery time of a diode does not depend very much on the absolute currents, but instead on the ratio between forward and reverse current. If the di/dt of a testing system is fixed, then at any forward test current the same ratio of forward to peak reverse current will result, and this should give about the same recovery time.


To test with higher currents, I replaced R4 by a 1Ω resistor. Well, it didn't come out as nicely as intended... But it's still usable, and interesting! This is the IRF3205 with R4 changed to 1Ω. I set the vertical scale to 2A/div, the time scale to 20ns/div, and the forward current to 1A. What happens now is that with so little resistive damping, and the higher reverse current (peaking at -5A), the ringing became big, dominating the picture. This is made even much worse by the low value of the resistor making its own inductance a big factor, making the oscilloscope giving an exaggerated high-frequency response.

The average di/dt is now roughly 150A/µs, 50% higher than the one used by the manufacturer for testing, and looks like a sine section rather than a ramp, because the current is being defined by the stray inductance and parts capacitance, more than by resistance. Under these conditions, the reverse recovery time comes out just under 40ns, significantly faster than the 69ns stated in the datasheet as typical value.

If you paid attention, you will have noticed that the measured recovery time tends to be inversely proportional to the di/dt provided by the test circuit!



All this playing shines a lot of light into the often obscure reverse recovery ratings. An important point to take home is this: A diode does not have a specific reverse recovery time. It's nonsense to say "this diode recovers in 50ns". Instead it's essential to state under what set of conditions a certain recovery time was measured, and the manufacturers do so. The problem is that different diodes are rated under different conditions, and then the published recovery times cannot be directly compared. When having the diodes at hand, a simple test circuit like this one can be used to quickly compare diodes under identical conditions.

Maybe it would be best to specify the recovery of diodes by two numbers: The total charge stored in the junction per ampere of forward current, and the charge carrier half life. When a diode conducts forward current, and then the current is stopped, the charge in the junction will slowly disappear on its own, by recombination. If instead a diode that was conducting is quickly switched to reverse polarity, most of the charge is drained out by reverse current, and natural recombination plays almost no role. If the application circuit limits the reverse current to a modest value, then both charge removal and recombination will take part in the process. By having data for the carrier half life, and the total charge per current, the recovery behavior of a diode is better described than by a single recovery time spec under a specific set of conditions.



The pulse generator and driver can be used for various different power circuits. Feel free to modify, test and play! If you want to test really large diodes, it will become necessary to use a MOSFET with low enough RDSon, high enough voltage rating, change the values of the inductor, R4 and C5, and use two separate power supplies: A small 12V one to power the ICs, and a higher voltage, sufficiently powerful one for the power circuit. When using a low value for R4, it would be best to build it from several SMDs in parallel, and use an RC compensation network to remove the high-frequency peaking caused by what little inductance the sensing resistor still has. It's also possible to eliminate the inductor, and use the pulse generator with two power supplies and several power resistors to make the kind of test circuit often detailed in diode datasheets.

As shown in the diagram, my circuit is very well suited to do the typical testing of small and medium diodes used in switching power supplies, which are usually tested by the manufacturers at 0.5A forward current and 1A reverse current.



Back to homo ludens electronicus.